推薦產品
河南華東起重機械設備公司
服務熱線:400 086 9590
公司:河南華東起重機械設備有限公司
聯系人:賈經理
聯系電話:13903802779
地址:河南新鄉市封丘縣起重機工業園區
當前位置: 起重機 > 技術資料 > 起重機百科
LDAC(1)型立式驅動裝置LDAC型立式變速箱減速機
時間:2024-01-19來源:起重機廠家瀏覽次數:1
驅動裝置介紹
LDAC1型驅動裝置是在LDA型的基礎上研發的一種新機型,適用于1-5噸門式、半門式起重機。可配套使用ZDY(D)系列0.8KW、1.5KW錐形轉子制動電機,或ZDR系列1.5KW、2.1KW錐形繞線轉子制動電機和實心轉子制動(軟起動)電機等。該裝置的特點是能夠充分利用場地空間,所配套電機本身還帶有制動裝置,是為客戶特殊場地特殊要求而設計的理想機型。是集起動轉矩大,可選速度范圍寬,可以頻繁起動,運行速度平穩,使用安全可靠,安裝維修方便,美觀大方等優點集于一身的大車驅動裝置。
注: 當該機型用于半門式起重機下端梁時,上端梁必須與LDA,型相配套使用。
驅動裝置說明
產品名稱:LDAC1型驅動裝置
別名別稱:變速箱/變速器
型號規格:LDAC1型
所屬類別:驅動裝置
產品產地:河南新鄉長垣
廠家品牌:鴻起
是否專利:是
是否定制:是
是否現貨:部分現貨
生產周期:3~10天
供貨范圍:全國
送達方式:自提或物流托運
是否安裝:安裝另議
售后方式:一年保修
發貨地區:河南長垣
驅動裝置圖片

驅動裝置參數
| 可供選用驅動速度表 | |||||
| 速度 | 20米/分 | 30米/分 | 45米/分 | 60米/分 | 75米/分 |
| 總速比 | 57.78 | 38.64 | 25.98 | 19.06 | 15.59 |
| 按齒圈M5×Z49、車輪直徑300設計 | |||||
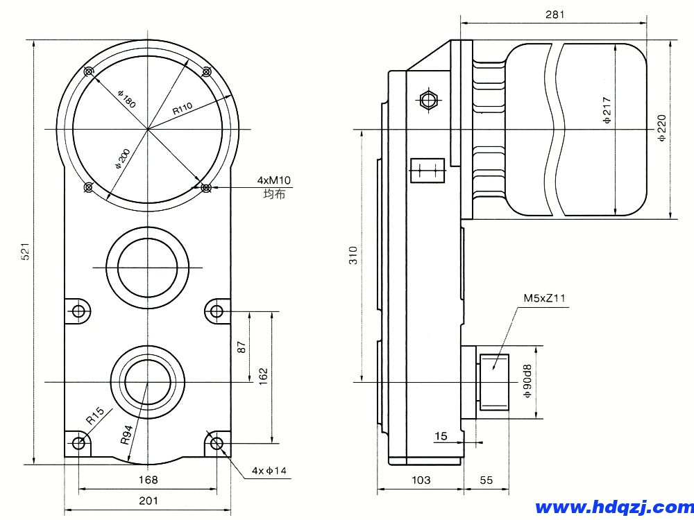
LDAC1型驅動裝置安裝尺寸圖 ![]() | |||||
驅動裝置廠家
LDAC1型驅動裝置貨源產地生產廠家還為各地起重廠商提供0.5~20噸電動單雙梁橋式起重機LDA型、LDH(M)型、LBAB(M)型驅動裝置;1~16噸鋼絲繩電動葫蘆減速器;門式/半門式起重機(龍門吊)LDAC1(M)型、LDHC(M)型驅動裝置;電動葫蘆跑車723(M)、727(M)型變速箱以及各種齒輪、齒軸件、外殼、軸承密封件等配件產品。更多驅動裝置的設計制造安裝規范標準、結構形式、材質工藝、工作原理、產品特性、型號規格、技術參數、外形尺寸、安裝使用注意事項說明、常見問題故障排除與維護保養重點以及產品價格等請聯系客服咨詢。
-
19
2024-01
LDAC(1)M型立式驅動裝置LDACM立式變速箱減速機
驅動裝置介紹LDAC1M驅動裝置,是在LDAC1型基礎上研發的一種新機型,適用于1~5噸門式、半門式要求低運行速度的起重機。可配套使用ZDY(D)系列0.8KW、1.5KW錐形轉子制動電機,或ZDR系列1.5KW、2.1KW錐形繞線轉子制動電機和實心轉子制動(軟起動)電機等。該裝置的特點是能充分利用場地空間,所配套電機本身還帶有制動裝置,是為客戶特殊場地特殊要求而設計的理想機型。是集可選速度范圍寬...詳細
-
19
2024-01
LDAC(1)型立式驅動裝置LDAC型立式變速箱減速機
驅動裝置介紹 LDAC1型驅動裝置是在LDA型的基礎上研發的一種新機型,適用于1-5噸門式、半門式起重機。可配套使用ZDY(D)系列0.8KW、1.5KW錐形轉子制動電機,或ZDR系列1.5KW、2.1KW錐形繞線轉子制動電機和實心轉子制動(軟起動)電機等。該裝置的特點是能夠充分利用場地空間,所配套電機本身還帶有制動裝置,是為客戶特殊場地特殊要求而設計的理想機型。是集起動轉矩大,可選速...詳細





















