推薦產品
河南華東起重機械設備公司
服務熱線:400 086 9590
公司:河南華東起重機械設備有限公司
聯系人:賈經理
聯系電話:13903802779
地址:河南新鄉市封丘縣起重機工業園區
當前位置: 起重機 > 技術資料 > 起重機百科
BZD系列隔爆型電動機BZD型起升單速防爆電機
時間:2024-01-19來源:防爆電機起重機廠家瀏覽次數:1
防爆電機介紹
BZD系列隔爆型錐形轉子三相異步電動機是防爆電動葫蘆主起升用電動機,主要型號有:BZD21-4-0.8KW、BZD22-4-1.5KW、BZD31-4-3.0KW、BZD32-4-4.5KW、BZD41-4-7.5KW、BZD51-4-13KW、BZD52-4-18.5KW等,其主要用于0.5~32噸單速型防爆電動葫蘆主起升使用,并承接非標防爆電機的設計制造和安裝維修。
防爆電機說明
產品名稱:BZD系列隔爆型錐形轉子三相異步電動機
別名別稱:防爆電機防爆馬達
型號規格:BZD系列型
產品用途:防爆電動葫蘆主起升電動機
產品產地:河南新鄉長垣
非標定制:承接非標定制
動力形式:三相交流380V-50Hz
是否現貨:部分現貨
生產周期:5~8天
包裝形式:協議包裝
供貨范圍:全國
送達方式:協議送達方式
是否安裝:協議安裝
售后方式:一年保修
防爆電機圖片

防爆電機參數
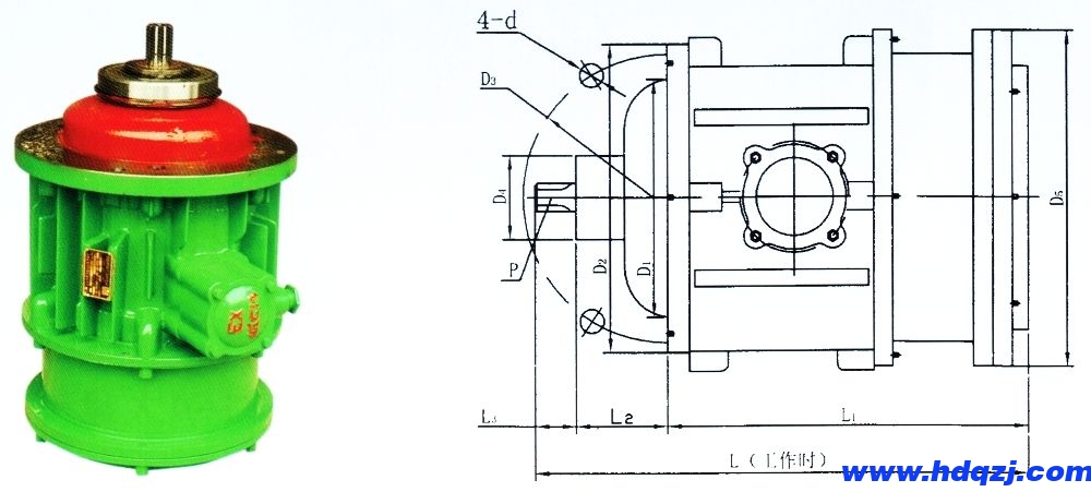
BZD系列防爆電動葫蘆主起升電動機圖片與外形尺寸圖

BZD系列防爆電動葫蘆主起升電動機外形及安裝尺寸表(單位:mm)
| 型號 主要尺寸 | 功率(KW) | D, | D2 | D3 | D4 | Ds | L | L1 | L2 | L3 | d | P |
| BZD21-4 | 0.8 | Φ169 | Φ220h9 | Φ196 | Φ60h6 | Φ240 | 352 | 259 | 65 | 29 | Φ9 | 6D-20dc4x16d9x4dc6 |
| BZD22-4 | 1.5 | Φ169 | Φ235h9 | Φ205 | Φ60h6 | Φ240 | 358 | 265 | 65 | 29 | Φ13 | 6D-20dc4x16d9x4dc6 |
| BZD31-4 | 3.0 | Φ205 | Φ290h9 | Φ260 | Φ65h6 | Φ293 | 460 | 330 | 85 | 45 | Φ13 | 6D-28dc4x23d9x6dc6 |
| BZD32-4 | 4.5 | Φ205 | Φ320h9 | Φ286 | Φ65h6 | Φ293 | 481 | 352 | 85 | 40 | Φ13 | 6D-28dc4x23d9x6dc6 |
| BZD41-4 | 7.5 | Φ255 | Φ380h9 | Φ340 | Φ90h6 | Φ365 | 565 | 430 | 100 | 37 | Φ17 | 10D-35dc4x28d9x4dc6 |
| BZD51-4 | 13 | Φ290 | Φ455h9 | Φ415 | Φ95h6 | Φ470 | 751 | 532 | 137 | 80 | Φ17 | 10D-40dc4x32d9x5dc6 |
| BZD52-4 | 18.5 | Φ452 | Φ530h9 | Φ490 | Φ95h6 | Φ470 | 763 | 552 | 143 | 70 | Φ17 | 10D-45dc4x36d9x5dc6 |
BZD系列防爆電動葫蘆主起升電動機主要技術參數表
| 參數 型號 | 功率KW | 轉速 | 額定電流 A | 最大轉矩/ 額定轉矩 | 起動轉矩/ 額定轉矩 | 起動電流 A | 效率η | 功率因素 | 制動力矩N.m | 轉動慣量 kg.㎡ | 重量 kg |
| BZD121-4 | 0.8 | 1380 | 2.4 | 2.5 | 2.5 | 13.0 | 0.70 | 0.72 | 11.0 | 0.030 | 48 |
| BZD122-4 | 1.5 | 1380 | 4.3 | 2.5 | 2.5 | 24.0 | 0.72 | 0.74 | 19.6 | 0.045 | 60 |
| BZD131-4 | 3.0 | 1380 | 7.6 | 2.7 | 2.7 | 42.0 | 0.78 | 0.77 | 42.14 | 0.130 | 93 |
| BZD132-4 | 4.5 | 1380 | 11.0 | 2.7 | 2.7 | 60.0 | 0.78 | 0.80 | 62.72 | 0.160 | 103 |
| BZD141-4 | 7.5 | 1400 | 18.0 | 3.0 | 3.0 | 100.0 | 0.79 | 0.80 | 98.0 | 0.390 | 153 |
| BZD151-4 | 13 | 1400 | 30.0 | 3.0 | 3.0 | 165.0 | 0.80 | 0.82 | 184.4 | 0.700 | 281 |
| BZD152-4 | 18.5 | 1400 | 41.7 | 3.0 | 3.0 | 229.0 | 0.82 | 0.82 | 225.4 | 1.120 | 380 |
錐形防爆電機技術參數表
| 項目 型號 | 額定功率(KW) | 額定電流(A) | 額定轉速 (r/min) | 起動轉矩 額定轉矩 | 起動電流(A) | 效率 (%) | 功率因素 (cosΦ) | 轉動慣量 | 制動力矩 (N.m) | ||||||
| 660V | 1140V | 380/660 | 660/1140 | 660V | 1140V | 380/660 | 660/1140 | ||||||||
| BZDY12-4 | 0.4 | 0.72 | 0.42 | 1.25/0.72 | 0.72/0.42 | 1380 | 2.0 | 4 | 2.4 | 7.0/4 | 4/2.4 | 0.67 | 0.73 | 0.017 | 1.43 |
| BZDY21-4小盤 | 0.8 | 1.4 | 0.8 | 2.4/1.4 | 1.4/0.8 | 1380 | 2.5 | 7.6 | 4.3 | 13/7.6 | 7.6/4.3 | 0.70 | 0.72 | 0.036 | 8.036 |
| BZDY21-4大盤 | |||||||||||||||
| BZDY22-4小盤 | 1.5 | 2.5 | 1.43 | 4.3/2.5 | 2.5/1.43 | 1380 | 2.5 | 14 | 8 | 24.0/14 | 14/8 | 0.72 | 0.74 | 0.036 | 8.036 |
| BZDY22-4大盤 | |||||||||||||||
| BZDY31-4小盤 | 3.0 | 4.4 | 2.53 | 7.6/4.4 | 4.4/2.53 | 1380 | 2.7 | 24.3 | 14 | 42/24.3 | 24.3/14 | 0.79 | 0.85 | 0.019 | 42.10 |
| BZDY31-4大盤 | |||||||||||||||
| BZDYS21-4/8小盤 | 0.4/0.2 | 2.7/1.6 | 1380/680 | 2.3/2.2 | 13/8 | 0.53/0.43 | 0.32/0.4 | 0.27 | 1.5/1.0 | ||||||
| BZDYS21-4/8大盤 | |||||||||||||||
| BZDYS22-4/8小盤 | 0.8/0.4 | 1.4/0.7 | 1380/690 | 2.6/1.7 | 10/3 | 0.56/0.41 | 0.32/0.38 | 0.055 | 8/3 | ||||||
| BZDYS22-4/8大盤 | |||||||||||||||
| BZDYS31-4/8小盤 | 1.5/0.75 | 2.5/1.3 | 1380/690 | 2.6/1.7 | 18/6 | 0.69/0.54 | 0.69/0.53 | 0.104 | 10/8 | ||||||
| BZDYS31-4/8大盤 | |||||||||||||||
| BZDYS32-4/8小盤 | 3.0/1.0 | 4.4/2 | 1380/690 | 2.8/1.8 | 30/9 | 0.68/0.58 | 0.81/0.58 | 0.208 | 19/14 | ||||||
| BZDYS32-4/8大盤 | |||||||||||||||
| BZD21-4 | 0.8 | 1.4 | 0.8 | 2.4/1.4 | 1.4/0.8 | 1380 | 2.5 | 7.6 | 4.3 | 13/7.6 | 7.6/4.3 | 0.70 | 0.72 | 0.030 | 11.0 |
| BZD22-4 | 1.5 | 2.5 | 1.43 | 4.3/1.5 | 1.5/1.43 | 1380 | 2.5 | 14 | 8 | 24/14 | 14/8 | 0.72 | 0.74 | 0.045 | 19.6 |
| BZD31-4 | 3.0 | 4.4 | 2.53 | 7.6/4.4 | 4.4/2.53 | 1380 | 2.7 | 24.3 | 14 | 42/24.3 | 24.3/14 | 0.78 | 0.77 | 0.130 | 42.14 |
| BZD32-4 | 4.5 | 6.4 | 3.7 | 11/6.4 | 6.4/3.7 | 1380 | 2.7 | 35 | 20.0 | 60.0/35 | 35/20.0 | 0.78 | 0.80 | 0.160 | 62.72 |
| BZD41-4 | 7.5 | 10.4 | 6 | 18.0/10.4 | 10.4/6 | 1380 | 3.0 | 58 | 33.1 | 100/58 | 58/33.1 | 0.79 | 0.80 | 0.390 | 98.0 |
| BZD51-4 | 13 | 17.3 | 10 | 30.0/17.3 | 17.3/10 | 1380 | 3.0 | 95 | 55 | 165/95 | 95/55 | 0.80 | 0.82 | 0.700 | 184.4 |
| BZD52-4 | 18.5 | 24.3 | 14 | 41.7/24.3 | 24.3/14 | 1380 | 3.0 | 133 | 76.1 | 229/133 | 133/76.1 | 0.82 | 0.82 | 1.120 | 225.4 |
| BZD62-6 | 18.5 | 27 | 15.3 | 46.7/27 | 27/15.3 | 930 | 3.2 | 162 | 92 | 295/176 | 176/97 | 0.85 | 0.86 | 1.8 | 390 |
防爆電機廠家
BZD系列防爆電動葫蘆主起升電動機生產廠家還提供防爆雙速電動葫蘆主起升電機、防爆電動葫蘆運行電機、防爆單雙梁橋式門式起重機防爆電動機、防爆電動環鏈葫蘆主起升電動機和防爆運行電動機以及其他防爆起重機械設備配套使用的防爆電動機產品整機與防爆電動機配件。更多防爆電機生產制造廠家、貨源產地、型號規格、技術參數、防護等級、防爆等級、產品特性、結構圖紙、安裝尺寸、出廠價格以及常見問題故障、使用環境與產品選型配套等請聯系客服咨詢。
-
19
2024-01
BZD系列隔爆型電動機BZD型起升單速防爆電機
防爆電機介紹 BZD系列隔爆型錐形轉子三相異步電動機是防爆電動葫蘆主起升用電動機,主要型號有:BZD21-4-0.8KW、BZD22-4-1.5KW、BZD31-4-3.0KW、BZD32-4-4.5KW、BZD41-4-7.5KW、BZD51-4-13KW、BZD52-4-18.5KW等,其主要用于0.5~32噸單速型防爆電動葫蘆主起升使用,并承接非標防爆電機的設計制造和安裝維修。防...詳細
-
19
2024-01
BZD/BZDY/BZDM隔爆型電動機BZD單速防爆電機
防爆電機介紹BZDⅠ、BZDYⅠ、BZDYⅡ、BZDMⅠ隔爆型錐形轉子三相異步電動機為隔爆型(Exd Ⅱ CT4Gb)、錐形轉子電動機(以下簡稱電動機),外殼防護等級為IP44/54,接線盒防護等級為IP54,冷卻方式為IC0041。本電動機符合GB3836.1-2010、GB3836.2-2010《爆炸性環境用防爆電氣設備隔爆型電氣設備“d”》的規定,制成隔爆型。防爆標志為EXd Ⅱ CT4Gb...詳細




















