Product Series
推薦產品
河南華東起重機械設備公司
服務熱線:400 086 9590
公司:河南華東起重機械設備有限公司
聯系人:賈經理
聯系電話:13903802779
地址:河南新鄉市封丘縣起重機工業園區
當前位置: 起重機 > 起重機文章
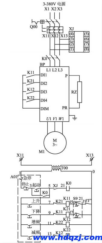
變頻環鏈電動葫蘆結構原理圖與工作特點
時間:2025-03-24來源:起重機廠家瀏覽次數:1
變頻環鏈電動葫蘆結構原理圖與工作特點
變頻環鏈電動葫蘆使用具有平穩運轉的性能,對于很多不允許有沖擊震動的環境工作使用很方便,那么變頻電動葫蘆工作原理是什么呢,s先來看一下變頻電動葫蘆的變頻結構原理圖:

變頻電動葫蘆使用主要利用變頻器,可以使電源頻率發生變化,能夠控制電動葫蘆電機的轉速,能夠讓其在一定范圍內進行調整,可以滿足我們各類生產工作需要。
變頻電動葫蘆主要特點有幾點:
1、啟動和制動時沖擊小;
2、能夠更平穩運轉,對于眾多精度高要求工作環境,還有不允許沖擊震動的工作環境下十分適用;
3、可根據使用要求對其工作速度進行調整,電動葫蘆變頻器會改變相應電源頻率,可以使電動葫蘆的起升速度在0.1倍到1倍之間進行設定。
4、可通過對速度的調整,對運行起升和下降定位進行精準操作。
5、除了負載下的0.1到1倍之間調整以外,在空載下也可以在1倍和1.5倍常速之間進行相應調整,能夠快速的進行空載起升和下降操作,節省施工作業時間。
變頻環鏈電動葫蘆使用廣泛,對于有穩定性超高要求和不允許震動的環境下十分適用。如果您有訂購變頻環鏈電動葫蘆的需求,可以隨時聯系我們咨詢,歡迎各位新老客戶前來采購。




















