推薦產品
河南華東起重機械設備公司
服務熱線:400 086 9590
公司:河南華東起重機械設備有限公司
聯系人:賈經理
聯系電話:13903802779
地址:河南新鄉市封丘縣起重機工業園區
當前位置: 起重機 > 技術資料 > 起重機百科
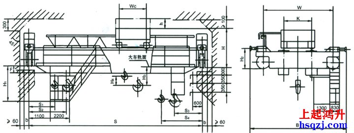
32/5噸雙梁行車參數32噸雙梁吊鉤橋式起重機尺寸
時間:2021-10-04來源:雙梁行車廠家瀏覽次數:2423
32/5噸雙梁行車圖片展示:

32/5噸雙梁行車技術參數表:
| 雙梁行車起重量Lifting Weight | t | 32/5噸雙梁行車 | |||||||||||||||||||
| 雙梁吊鉤橋式起重機跨度Span | m | 10.5米 | 13.5米 | 16.5米 | 19.5米 | 22.5米 | 25.5米 | 28.5米 | 31.5米 | ||||||||||||
| 最大起升高度Max.Lifting Height | 主Primary | 16米 | |||||||||||||||||||
| 副Secondary | 18米 | ||||||||||||||||||||
|
速度 speed |
起升Lift | 主Primary | A5 | m/min | 7.51m/min | ||||||||||||||||
| A6 | 9.5m/min | ||||||||||||||||||||
| 副Secondary | A5 | 19.7m/min | |||||||||||||||||||
| A6 | 19.7m/min | ||||||||||||||||||||
| 小車運行handcart travel | 42.4m/min | ||||||||||||||||||||
| 大車運行cart travel | A5 | 87.6m/min | 74.2m/min | 75.2m/min | |||||||||||||||||
| A6 | 101.4m/min | 101.8m/min | 85.5m/min | ||||||||||||||||||
|
電動機 Motor |
起升Lift | 主Primary | A5 | kw | YZR280S-10Z/42kw | ||||||||||||||||
| A6 | YZR280M-8/55kw | ||||||||||||||||||||
| 副Secondary | YZR180-6Z/17kw | ||||||||||||||||||||
| 小車運行handcart travel | YZR160M1-6/6.3kw | ||||||||||||||||||||
| 大車運行cart travel | A5 | YZR160M2-6/8.5×2kw | |||||||||||||||||||
| A6 | YZR160L-6/11×2kw | ||||||||||||||||||||
|
雙梁行車吊鉤橋式起重機 主要尺寸(mm)Main Size |
H | A5 | 2343mm | 2345mm | 2475mm | ||||||||||||||||
| A6 | 2343mm | 2347mm | 2477mm | ||||||||||||||||||
| H1 | A5 | 2580mm | 2584mm | 2614mm | 2644mm | 2794mm | 2944mm | 3094mm | 3194mm | ||||||||||||
| A6 | 2580mm | 2586mm | 2616mm | 2646mm | 2796mm | 2946mm | 3096mm | 3196mm | |||||||||||||
| H2 | A5 | 940+H0 | 1035+H0 | 1070+H0 | |||||||||||||||||
| A6 | 940+H0 | 1070+H0 | |||||||||||||||||||
| H3 | A5 | 705mm | 701mm | 571mm | |||||||||||||||||
| A6 | 703mm | 699mm | 571mm | 569mm | |||||||||||||||||
| H4 | 790mm | ||||||||||||||||||||
| h | 820mm | ||||||||||||||||||||
| k | 2500mm | ||||||||||||||||||||
| A5 | 6474mm | 6620mm | 6924mm | ||||||||||||||||||
| A6 | 6574mm | 6744mm | 7044mm | ||||||||||||||||||
| W | 4650mm | 4700mm | 5000mm | ||||||||||||||||||
| W | 2800mm | ||||||||||||||||||||
| b | 260mm | ||||||||||||||||||||
| A5 | 90mm | 94mm | 244mm | 264mm | 414mm | 564mm | 714mm | 814mm | |||||||||||||
| A6 | 90mm | 96mm | 246mm | 266mm | 416mm | 566mm | 716mm | 816mm | |||||||||||||
| S1 | 1070mm | ||||||||||||||||||||
| S2 | 2050mm | ||||||||||||||||||||
| S3 | 1700mm | ||||||||||||||||||||
| S4 | 2680mm | ||||||||||||||||||||
|
起重機重量 Weight |
小車handcart | A5 | t | 10.9噸 | |||||||||||||||||
| A6 | 11.7噸 | ||||||||||||||||||||
| 總重Total Weight | A5 | 27噸 | 30噸 | 33噸 | 38噸 | 41噸 | 46噸 | 50噸 | 54噸 | ||||||||||||
| A6 | 28噸 | 31噸 | 35噸 | 40噸 | 43噸 | 48噸 | 52噸 | 56噸 | |||||||||||||
| 最大輪壓Max.Wheel Pressure | A5 | t | 24.8噸 | 26.4噸 | 27.8噸 | 30.1噸 | 31.1噸 | 33.1噸 | 34.4噸 | 35.4噸 | |||||||||||
| A6 | 26.4噸 | 28.2噸 | 29.6噸 | 31.0噸 | 32.4噸 | 34.0噸 | 35.0噸 | 36.4噸 | |||||||||||||
| 薦用鋼軌Steel track | QU70軌道 □90×90鋼軌 | ||||||||||||||||||||
| 電源Power Supply | 三相交流3-Phase A.C.50Hz,380V | ||||||||||||||||||||
32噸雙梁吊鉤橋式起重機外形尺寸圖:

32/5噸雙梁行車是橋式起重機中比較常用噸位行車,以上就是為大家介紹的32噸雙梁吊鉤橋式起重機主要技術參數表、32噸雙梁行車外形尺寸圖及32噸雙梁起升起重機外形結構圖。
-
14
2025-08
架橋機的安全技術要點介紹
架橋機的安全技術要點介紹:1、架橋機安裝拆除屬于超過規模、危險性較大的工程,需編制專項施工方案,并論證。2、拼裝工藝流程為:施工準備→安放前支腿、中支腿橫移軌道→安前支腿、中支腿、后支腿→拼裝主梁、導梁、安裝聯系框架→安裝導梁前支腿→安裝起吊天車→液壓、電控系統安裝調試。3、架橋機安裝前應對進場的構件、配件、工機具等進行詳細檢查驗收。4、場地尺寸及地基承載力應滿足架橋機安裝及試運荷載的要求;場地平...詳細
-
12
2025-08
架橋機安全監控管理系統及功能、架橋機吊鉤吊物墜落原因
架橋機安全監控管理系統簡介及功能及簡介 1.架橋機運行狀態測試、顯示及記錄,包括有架橋機的天車縱向行程、高度、天車橫向行程、重量、風速、水平度、支腳垂直度、整機縱向行程、整機橫向行程數據,對架機運行過程中的數據可以記錄在本地監控儀(大于45天)中,同時也可以存儲在遠端的服務器中; 2.實現了對架橋機天車縱向行程、高度、天車橫向行程、重量、風速、水平度、支腳垂直度、整體縱向行程、整體橫向行程等八...詳細
-
12
2025-08
架橋機的檢測方案、橋機運行參數控制
架橋機的檢測方案 1、對結構主梁的檢測 架橋機結構主梁對減輕其自重,減少風阻力有著重要的意義,一般由三個或者五個等長度焊制成的桁架組裝連接。相關工作人員可以根據塔式起重機起重臂的檢測方法,對主梁各段連結銷軸逐個檢查,確認是否達到緊密連結; 2、對起升機構和運行機構的檢測 架橋機在形式結構和起升方式上都與雙梁門起重機相似,但是兩者的不同就是有兩臺du立的提升小車機構。在對每個機構的提升制動和...詳細
-
01
2025-08
架橋機過孔穩定性調控技術與實踐
架橋機過孔穩定性調控是節段拼裝橋梁施工的核心環節,其核心目標是通過多維度協同控制確保架橋機在移位過程中保持結構穩定,避免傾覆、滑移或局部失穩。該技術需綜合機械設計、液壓控制、智能監測等多學科知識,結合工程實際制定差異化實施方案。以下從系統構成、控制策略、關鍵技術及工程實踐展開分析。一、系統構成與力學原理架橋機過孔穩定性調控系統主要由支撐體系、行走機構、配重平衡裝置及監測系統組成。支撐體系通常包括前...詳細
-
29
2025-07
節段拼架橋機液壓系統同步頂升控制技術與實踐
節段拼架橋機的液壓系統同步頂升控制是實現橋梁節段高精度拼裝的核心技術,其核心目標是通過多缸協同控制實現毫米級同步精度,確保節段在提升、移位過程中的穩定性與安全性。這一技術需結合液壓傳動原理、智能控制算法與工程實踐經驗,形成系統化的控制方案。以下從系統構成、控制策略、關鍵技術及工程應用等方面展開分析。一、液壓同步頂升系統的構成與原理液壓同步頂升系統主要由液壓泵站、多組液壓缸、電液比例閥、位移傳感器及...詳細
-
29
2025-07
橋式起重機分布式控制系統的架構設計與工程實踐
在現代工業物流場景中,橋式起重機的分布式控制系統通過分層架構與模塊化設計,實現多機構協同控制與故障冗余,顯著提升設備可靠性與運維效率。以下從系統架構、關鍵技術、實施要點及典型應用展開分析,為工程改造與新建項目提供可落地的技術方案。一、分布式控制系統的核心架構分布式控制系統(DCS)采用 “管理層 - 控制層 - 設備層” 三級網絡拓撲,通過工業總線實現數據交互與指令下發。具體包括:管理層以工控機(...詳細




















